 
         
					
                
                
            TheTracer
Members- 
                Posts20
- 
                Joined
- 
                Last visited
Content Type
Profiles
Forums
Events
Everything posted by TheTracer
- 
	Wow what an amazing work! I am really looking forward to see what you will have in the end! Damn great.
- 
	Haha on my ATC nobody wants to talk to me...
- 
	Alles überprüft. Schub nicht auf OFF, Fahrwerk ist auch drin usw. hab das alles mehrmals schon geprüft. Ich werd mal die Autostartbelegung rauslöschen, vielleicht hat er da ja irgendeinen Konflikt.
- 
	Ich kapere diesen Faden einfach mal, weil ich als F-16 Neuling auch folgendes Problem habe: wenn ich eine Instant Action Mission, oder eine gedownloadete Mission starte und ich mich bei Missionsbeginn in der Luft befinde, dann fährt die F-16 immer das Fahrwerk aus und es werden alle Systeme runtergefahren auf Cold and dark. Entsprechend segel ich dann dämlich in der Gegend herum... das nervt. Habt ihr ne Idee, wie man dieses Problem lösen kann?
- 
	I am curious and looking forward to see some pics of the throttles.
- 
	From what I see from some Voodoo pictures I guess you only have to remove that screws and change the Voodoo throttle handle with the F-4 throttle handle and that´s it.
- 
	You´re right man :pilotfly:
- 
	The 101 and the F-4 are both Mister Mac´s birds and not far away from each other. So I think you are true that they are very similar. I´m curious about that project!
- 
	
- 
	
- 
	Okay I will collect some useful docs for you this week.
- 
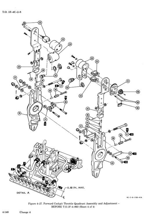
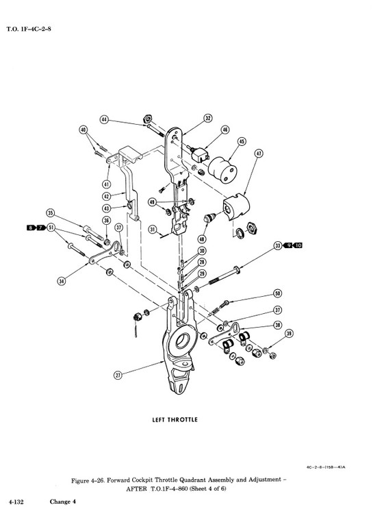
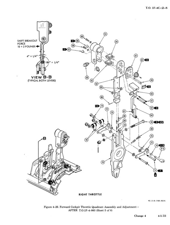
	Throttle handles are good. Do you have technical data how the throttles are built in? If not, let me know. Most T.O.s are downloadable.
- 
	But I was able to make my dream come true and get a real F-4 cockpit. When restoration has finished I will try to get a VR ride in it.
- 
	As time goes by. Streakeagle nice progress! Do you remeber, when I gave you the pictures of all the seperate panels? Long ago. I buried my project that I had during that time and sold it.
- 
	Servus zusammen, ich habe seit vorgestern das Phänomen, dass mein Jester AI Auswahlmenü nicht mehr mittig im Blickfeld, sondern sich plötzlich links oben auf ca. 10 Uhr hoch befindet. Kennt jemand dieses Problem und hat eine Abhilfe?
- 
	Habe zwar aus irgendeinem Grund diese Funktion nicht, aber nachdem ich das ein oder andere Häkchen ausprobiert habe geht es nun. Musste die Maschine das erste Mal crashen lassen und dann hat er sich geresettet.
- 
	Servus Leute, ich habe das grunsätzliche Problem, dass egal welche Missionen oder Trainings ich auswähle alle meine Flugzeuge unmittelbar auf Cold and Dark zurückgesetzt werden. Das ist ungemein hinderlich, wenn sich im Flug direkt das Fahrwerk und die Kabinenhaube verabschieden, man kurze Zeit später keine Triebwerke und keinen Strom mehr hat... Kann mir bitte jemand verraten, wie ich diese "Grundeinstellung" irgendwie ausschalten kann?
- 
	Hello Guys, I gues it is since the last update on wednesday, but I am missing all the warning sounds in my cockpit and also you can not hear the radio calls anymore. I can use the radio, you can read the text, but nothing can be heard. Reinstall of the FA-18 didnt really help. Any ideas?
- 
	Guten Morgen, irgendwie scheine ich seit dem letzten Update keine Warntöne und keine Sounds für die Funkübertragung mehr zu haben. Funk geht, aber es erscheint nur der Text. Deinstallation der F-18 hab ich schon hinter mir, keinerlei Besserung in Sicht. Hat jemand ne Idee?
- 
	Startest du die Hornet mit Autostart? Scheinbar klappt Comms nur, wenn man die Hornet manuell startet.

 
                     
                     
                     
                     
                     
                     
                     
                    