Jump to content

saskcan

Members
  • Posts

    33
  • Joined

  • Last visited

Everything posted by saskcan

  1. Fuel Control Panel Switch Alternatives Here are some alternatives I found for the fuel control panel switches. They are sourced from digikey. Function of the push-pull shutoff switches will not be duplicated. They are replaced with a normal push switch. Toggles: EG4828-ND Photointerruptor for Air Refuel Control Lever: 365-1246-ND Fill Disable Switches: 679-1047-ND Ext. Lighting Dimmer: CT3022-ND Line Check Button: 679-1046-ND Still need to find a knob for the dimmer. Does anyone have experience with these or other switches in a similar price range that could give a recommendation?
  2. AN/ARC-164 Dimensions Here are my dimensions for the AN/ARC-164 radio. I will probably keep using the 1/10 mm tolerances from now on :). By the way, these drawings are done in Visio. If anyone is interested in the actual .vsd file let me know and I would be happy to share it.
  3. Haha ya it is because of the inch > mm conversion and since I am not sure about the manufacturing process yet, I thought it would be better to just leave them in there. I think the best tolerance for a cnc machines is typically in the 1/1000 of an inch range and that would be about 1/40 of a mm. Can anyone verify this for the sake of curiosity?
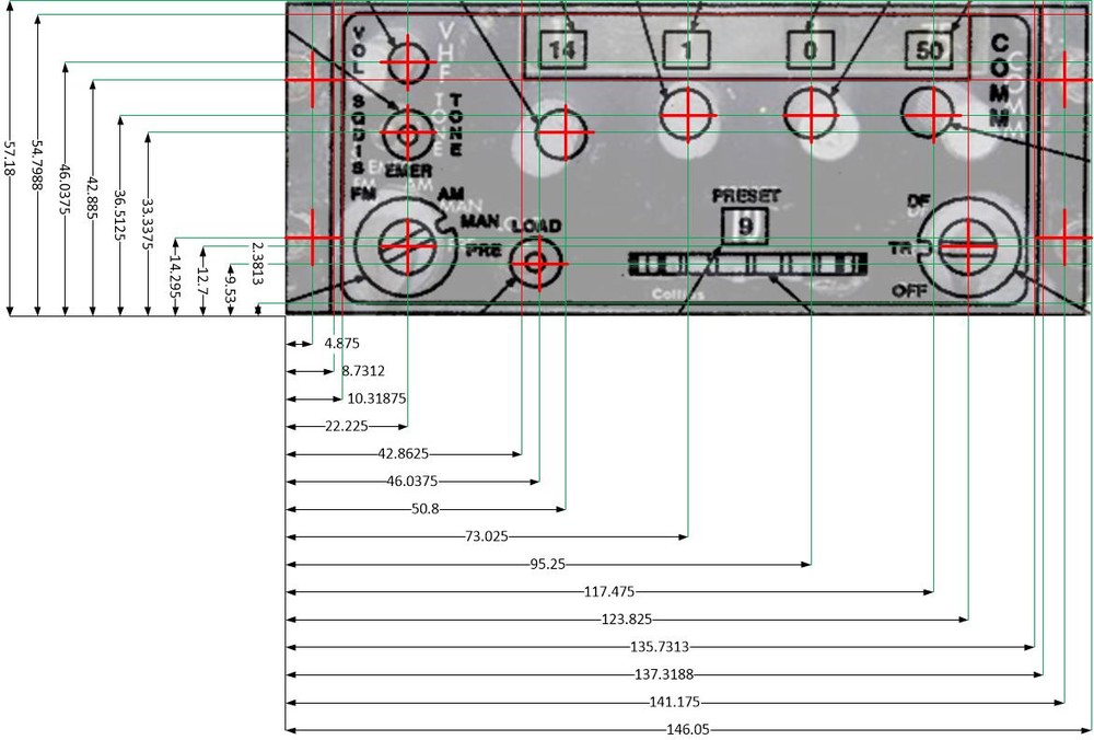
  4. AN/ARC 186(V) Dimensions I had a little more difficulty with the AN/ARC 186(V) radio than the fuel panel. I read in another post that the panel in DCS is 1 unit too long. I believe it is modeled as 7 and I guess that would mean that it should be 6 DZUS units. Anyway here are my dimensions. The photo I found here and the line drawing from a google image search.
  5. Fuel Control Panel Dimensions Here is my take on the Fuel Control Panel dimensions. I have left the dimensions in metric because that is what I am more comfortable with. Because they come from inches, the number of decimal places is a bit crazy but I kept them that way for ease of conversion. These dimensions are not taken from a real panel so they aren't guaranteed to be perfect. This will probably go for all of my dimensions throughout the build. I found a great thread by y2kiah which gave me a good starting point. I did make some modifications where I thought appropriate. The background picture I used can be found here. Also, a useful thread on panel dim's for DZUS. I modified their width to (5.75" = 146.05mm) Let me know what you think!
  6. Welcome to my A10-C Thunderbolt II build thread! After drooling over some of the other builds I have seen online, I have decided to take the plunge. It will be a while yet until I can start to build but I will update my design progress as much as possible. I would like to document my pit for other builders as a reference and also a type of peer review. If you think I am doing something wrong, please let me know! I will be happy for any feedback either positive or negative (just take it easy on me-I'm new at this).
  7. Amazing work! I can't wait for more pictures. I am starting on my own pit build and currently researching ideas. This thread has been super helpful as well as inspirational. Thanks a lot!
  8. Hi, I just want to say thanks for posting the photos and information. I have recently decided to begin an A10-C pit project and am doing some research to get ideas. I have read the entire thread with great interest over the last 2 days and am looking forward to the upcoming posts
×
×
  • Create New...