Yogi8 Posted December 24, 2023 Posted December 24, 2023 Merry Christmas everyone. Part 1 is up on youtube. 6 2
Gareth Barry Posted December 25, 2023 Posted December 25, 2023 (edited) Hi Yogi I will watch the video later but just wanted to ask- did you see some of my suggestions in the other thread to the stability issues you were having? Personally i cured all of mine by averaging 50 values of analogRead and then passing that to the joystick.h library, without having to use shielded wire or a low-pass filter capacitor from signal to ground- although i may just do the shielded wire part simply because i think it's better practise. Edited December 25, 2023 by Gareth Barry
Gareth Barry Posted December 25, 2023 Posted December 25, 2023 (edited) Yogi Another thing i wanted to mention, is that it is very possible to code the 'axis' of the flap handle to act as a switch, without swapping the potentiometer for a microswitch. In fact i personally think its the better way to do it. Simply have something like; If (flap_axis_value < 100) { Joystick.pressButton(20); Joystick.releaseButton(19); } Else { Joystick. pressButton(19); Joystick.releaseButton(20); } I havent debugged the above code because i typed it out on my phone, but im sure you get the idea. Doing it this way, you could even have a third artificially created 'button' the acts as the emergency flap position. To clarify, in the above code, 'buttons' 19 and 20 wouldnt be actual physical buttons, just artificial ones created by the code in order to send the switch state to DCS based on the value read in from the pot/hall effect sensor. I might just redo the flap handle on mine for this very reason. I am definitely going to use this idea for the idle cutoff- so that i dont have to put actual buttons or microswitches at that detent position. Edited December 25, 2023 by Gareth Barry
Lt_Jaeger Posted December 25, 2023 Posted December 25, 2023 Thank you for the Video. I'm at a full stop at the moment, due to the fact that my printer broke down. Already switched out the main board, but it seems either a cable or a limit switch is still broken. Have both parts coming in from China as we speak, so I hope I will be back in business soon.
Yogi8 Posted December 26, 2023 Posted December 26, 2023 On 12/24/2023 at 8:27 PM, Gareth Barry said: Hi Yogi I will watch the video later but just wanted to ask- did you see some of my suggestions in the other thread to the stability issues you were having? Personally i cured all of mine by averaging 50 values of analogRead and then passing that to the joystick.h library, without having to use shielded wire or a low-pass filter capacitor from signal to ground- although i may just do the shielded wire part simply because i think it's better practise. Hey Gareth, Now that Christmas is over I'm going to sit down and look at what you were able to do. I'm off this week and plan on spending a day working out these issues. I hope I can just snag your fix and make it work! 1
Yogi8 Posted December 27, 2023 Posted December 27, 2023 Hey guys, Quick update. Added the cover plates to thingiverse. 5
RustBelt Posted December 28, 2023 Posted December 28, 2023 Sigh….I gotta get started on my 500x500 ratrig….
Lt_Jaeger Posted December 28, 2023 Posted December 28, 2023 Did you ever thought about hall sensors for the axis? I have to wait for my printer parts before I can continue. After all pieces are done, I hope I can figure out a way to replace pots with the sensors. Got some pretty cheap ones in my current throttle, but being pretty happy with them. 1
Yogi8 Posted December 28, 2023 Posted December 28, 2023 16 minutes ago, Lt_Jaeger said: Did you ever thought about hall sensors for the axis? I have to wait for my printer parts before I can continue. After all pieces are done, I hope I can figure out a way to replace pots with the sensors. Got some pretty cheap ones in my current throttle, but being pretty happy with them. Initially I did. But because of ease of use I went with the pots. However, if you post the specs of your hall sensors I can try and design brackets to work with them. 2 2
Gunslinger22 Posted January 1, 2024 Posted January 1, 2024 (edited) On 11/19/2023 at 8:01 AM, Yogi8 said: Gentlemen, Beauty shots incoming! A build video, the parts list and 3d files will be posted sometime this coming week! Everything works, except for the flaps handle, but that’s being sorted (sorta). All of the switches, potentiometers, buttons and hats all work! This is a 90% solution and your mileage may vary based on your 3d printer. But I hope some of you guys fire up your printers and have as much fun as I have had. Pushing the throttles forward for the first time was more enjoyable than I expected. One can only imagine what this would have been like for a naval aviator. I hope everyone is doing well! This is absolutely stunning Yogi, whenever I’m able to make a F-14 pit again this will be a must for me. -Edit just bought a K1 Max and the parts list since this is a must make for me now and may kickstart the creation of my second attempt at the Tomcat pit. Edited January 4, 2024 by Gunslinger22 "I'm just a dude, playing a dude, disguised as another dude."
ITR1102 Posted January 3, 2024 Posted January 3, 2024 (edited) On 11/18/2023 at 6:01 PM, Yogi8 said: Gentlemen, Beauty shots incoming! A build video, the parts list and 3d files will be posted sometime this coming week! Everything works, except for the flaps handle, but that’s being sorted (sorta). All of the switches, potentiometers, buttons and hats all work! This is a 90% solution and your mileage may vary based on your 3d printer. But I hope some of you guys fire up your printers and have as much fun as I have had. Pushing the throttles forward for the first time was more enjoyable than I expected. One can only imagine what this would have been like for a naval aviator. I hope everyone is doing well! Thanks so much for sharing your work! I've got all but a couple of the components printed but am wondering if there are a few not included in what has been posted. Here is what is potentially missing: - Right throttle blade, equivalent of the file 'Left_Throttle_Quadrant_v1.stl' - Right throttle wing sweep position hat - Right throttle wing sweep position donut All my switches and screws are ordered! Ended up buying 90% of the stuff from BoltDepot.com. There were only a couple of items I couldn't get there but was able to source the remainder on Amazon, one being the M4 x 155mm threaded rod. The only length I was able to find was 150mm so I purchased that and am hoping it will work. Going through the video a few times, I added the following parts to the hardware list: - M2 x 16mm flat head (1) - M2.5 x 3mm pan head (3) - M2.5 x 8mm flat head (3) - M2.5 x 10mm flat head (3) - M3 x 6mm flat head (5) Looking forward to the next build video and those 3 stl files Edited January 8, 2024 by ITR1102 update 1
Lt_Jaeger Posted January 8, 2024 Posted January 8, 2024 (edited) My printer is back in business, so it's running 24/7 again to print all the files As @ITR1102 mentions above, I find the same files missing. Not sure yet how all this will fall together, but time will tell. One thing I don't like so far, would be the speedbrake switch. I cannot find a momentary one, and I think the switch should be like momentary on - off - on, since the speed brakes are not binary. What I did, I did cut out another's guy's design and inserted it in yours. I need to print an additional stem, hat and will work from there with two momentary tactile switches. To describe what I did, I will attach the STL. Don't judge me, I'm a total noob in construction, and that shows. Right Throttle Quadrant - Cover Plate_alternate Speedbrake.stl Hope you don't mind. Other than that, I keep on printing and start looking for the needed hardware. Thinking of adding an shiftregister board on the right hand grip to minimize cables, but not sure on that one yet. Edited January 8, 2024 by Lt_Jaeger 2
Yogi8 Posted January 8, 2024 Posted January 8, 2024 Gentlemen, Please forgive me for such a long layoff between posts. I'm back to work (traveling), and I forgot how "slow" December is now that things have picked back up. I'm going to look at all the files and the bill of materials tonight on Cults and thingiverse and correct any of the errors and missing files Also, gonna to try and get the second video edited and uploaded by Friday/Saturday. Again, I apologize for the time delay. 2 3
Lt_Jaeger Posted January 8, 2024 Posted January 8, 2024 (edited) 2 hours ago, Yogi8 said: Gentlemen, Please forgive me for such a long layoff between posts. I'm back to work (traveling), and I forgot how "slow" December is now that things have picked back up. I'm going to look at all the files and the bill of materials tonight on Cults and thingiverse and correct any of the errors and missing files Also, gonna to try and get the second video edited and uploaded by Friday/Saturday. Again, I apologize for the time delay. Don't feel pushed around. I don't care if it is done tomorrow, next week or never. If the latter, I will find a way around it. Just happy you did all the hard construction / cad work already and I can take the cheap route of copying your work. Edited January 8, 2024 by Lt_Jaeger
ITR1102 Posted January 8, 2024 Posted January 8, 2024 I have a couple of Leo Bodnar 64 button boards I am going to try using first, before I go the Arduino/Pro Micro and DCS Bios route for the throttle and additional control panels. I did use a pro Micro for a couple of the panels but I found it a little challenging to set up and haven’t even attempted to add a shift register yet. I may just use the Pro Micros and DCS Bios for LED position indicators, assuming the Bodnar board works as well as I’m expecting. If there’s anything I can help with, let me know. I’m slowly adding one panel at a time. Wish I knew FreeCad… Been using Blender but I don’t think it’s the best application for developing control panels.
Lt_Jaeger Posted January 9, 2024 Posted January 9, 2024 I will stay with my trusty STM32 and Freejoy. Already use a DIY Throttle and some panels. All of them rund very reliable off the "blue pill". Just there would be no feedback via DCS Bios or something like that, but for sure it safes me from going down an additional rabbit hole of needing to programm stuff. I will safe that for retirement
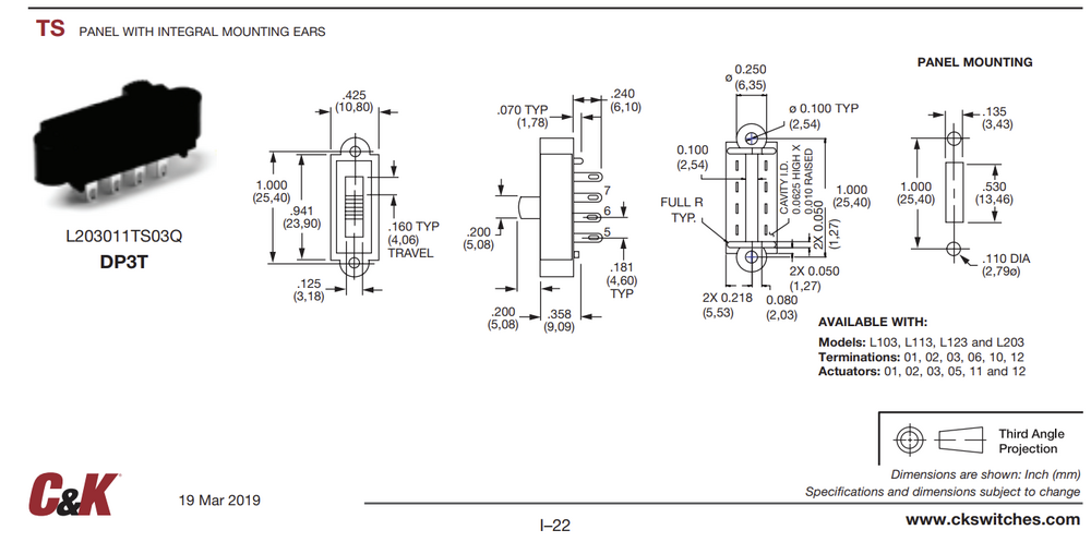
ITR1102 Posted January 11, 2024 Posted January 11, 2024 (edited) On 1/8/2024 at 4:51 AM, Lt_Jaeger said: My printer is back in business, so it's running 24/7 again to print all the files As @ITR1102 mentions above, I find the same files missing. Not sure yet how all this will fall together, but time will tell. One thing I don't like so far, would be the speedbrake switch. I cannot find a momentary one, and I think the switch should be like momentary on - off - on, since the speed brakes are not binary. What I did, I did cut out another's guy's design and inserted it in yours. I need to print an additional stem, hat and will work from there with two momentary tactile switches. To describe what I did, I will attach the STL. Don't judge me, I'm a total noob in construction, and that shows. Right Throttle Quadrant - Cover Plate_alternate Speedbrake.stl 2.26 MB · 7 downloads Hope you don't mind. Other than that, I keep on printing and start looking for the needed hardware. Thinking of adding an shiftregister board on the right hand grip to minimize cables, but not sure on that one yet. Found some C&K L123 momentary slide switches that may be worth looking into. I'm going to order one. @Yogi8 or others, if you are wanting/willing to update the model for this momentary slide switch to fit, I'd gladly ship one to you to use for yourself. :-) Unfortunately they don't make the momentary (L123) in the 'panel with mounting ears' configuration. There may be other brands and options out there but this is all my searching turned up. L123012TS03Q - $5.51 each. Shipping is $7.99 https://www.mouser.com/ProductDetail/CK/L123012TS03Q?qs=Pzq478CtQydSs5eJdMmRnQ%3D%3D https://www.mouser.com/datasheet/2/240/l-3050917.pdf Edited January 12, 2024 by ITR1102 updated part number 3
Gunslinger22 Posted January 15, 2024 Posted January 15, 2024 9 hours ago, Yogi8 said: Bloody grouse mate! I've begun printing mine now and the quality is amazing, though I'm having the same issue as others with some missing STLs, is there a chance you could look at updating this? Cheers once again for your amazing work here mate. "I'm just a dude, playing a dude, disguised as another dude."
Lt_Jaeger Posted January 15, 2024 Posted January 15, 2024 I can't, for the life of me, print the flap gear and handle. Three times the print got screwed at almost the same "place". Guess I need to do a mesh repair. No idea why cura has such problems.
Yogi8 Posted January 15, 2024 Posted January 15, 2024 1 hour ago, Lt_Jaeger said: I can't, for the life of me, print the flap gear and handle. Three times the print got screwed at almost the same "place". Guess I need to do a mesh repair. No idea why cura has such problems. This is how I sliced it using Creality Print. In retrospect I should have moved the handle to one side so that it wouldn't require supports.
Yogi8 Posted January 15, 2024 Posted January 15, 2024 11 hours ago, Gunslinger22 said: Bloody grouse mate! I've begun printing mine now and the quality is amazing, though I'm having the same issue as others with some missing STLs, is there a chance you could look at updating this? Cheers once again for your amazing work here mate. I'm not sure why the files aren't there, but on the back end it says that all of the files have been uploaded. I may break the files into two parts on thingiverse 1
Recommended Posts