BlackLion161 Posted November 16, 2016 Posted November 16, 2016 когда сделают- подумаем Дает надежду, Спасибо!) [sIGPIC][/sIGPIC]
Андрей777 Posted November 25, 2016 Posted November 25, 2016 На авсиме увидел это видео. К Ми-8 оно не имеет никакого отношения, да и видео старенькое, но оно меня так поразило, что хочу поделится ссылкой, может кто то ещё не видел и будет так же впечатлен от просмотра.
MAD_MIKE Posted November 26, 2016 Posted November 26, 2016 Боян, но крутой боян. Вот дальше вид из кабины идёт:D i5-4670/3,4Ghz/16GB DDR3/64xWin7/GTX1070/2xHDD RAID-0/1080p/Своп на отдельном харде
vvm13 Posted November 29, 2016 Posted November 29, 2016 (edited) Вы, наверное, будете смеяться, но я пока так и не нашёл размеры и углы отклонения РППУ и РОШ у Ми-8. (Нужно для изготовления напольного джойстика). Edited November 29, 2016 by vvm13
vvm13 Posted November 29, 2016 Posted November 29, 2016 Моё любимое видео - вертолетоковбои, https://www.youtube.com/watch?v=50MbPACZF-4
Ястреб Posted November 29, 2016 Posted November 29, 2016 Моё любимое видео - вертолетоковбои, https://www.youtube.com/watch?v=50MbPACZF-4 Хулиганы Ход времени неумолим, Наступит день, взревут турбины… И оторвется от земли Тебе послушная машина. © Вадим Захаров. ----------------------------------------------------------------------------------------------------------------- Gigabyte z390 aorus elite|i7-9700K(turbo boost4800)|4xDDR4-3466(32)|HDD(2Tb)|gtx1080ti|Pimax 5k+|G32QC|Chieftec 1000W| ZalmanGS1200|BRD(напольник)|РУС Мангуст Т-50|VKB-MK-18-3|Mdjoy16(GVL)|Thrustmaster Hotas Warthog|Thrustmaster MFD|MS Sidewinder Force Feedbak 2|TrackIR5+TrackClipPRO|
vvm13 Posted November 30, 2016 Posted November 30, 2016 Вы, наверное, будете смеяться, но я пока так и не нашёл размеры и углы отклонения РППУ и РОШ у Ми-8. (Нужно для изготовления напольного джойстика). Угробил ещё полдня на розыски, но цифр так и не нашёл. По прикидкам, от пола до кончика рукоятки надо сантиметров 65-70, причём полезно сделать подстройку длины (поскольку может быть проблема с подстройкой высоты кресла). Что насчёт отклонения от вертикали? С одной стороны, на этом форуме говорят про четверть хода, с другой - про десятисантиметровый диапазон, которого хватает. Это и есть четверть хода, что даёт отклонение по 20 сантиметров в каждую сторону? Как-то многовато.
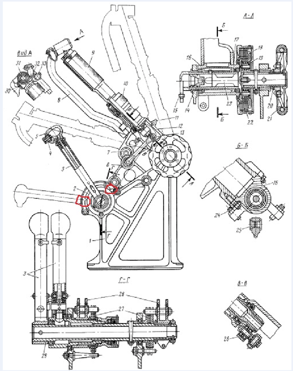
ED Team PilotMi8 Posted November 30, 2016 ED Team Posted November 30, 2016 (edited) Угробил ещё полдня на розыски, но цифр так и не нашёл. По прикидкам, от пола до кончика рукоятки надо сантиметров 65-70, причём полезно сделать подстройку длины (поскольку может быть проблема с подстройкой высоты кресла). Что насчёт отклонения от вертикали? С одной стороны, на этом форуме говорят про четверть хода, с другой - про десятисантиметровый диапазон, которого хватает. Это и есть четверть хода, что даёт отклонение по 20 сантиметров в каждую сторону? Как-то многовато. отклонения РППУ Ми-8 см.вложение, с длиной точной помочь не могу..обратись к АлександруТ или Кайрату, в конце концов можно попросить просто измерять, если нет данных в доках))) ПС насколько я прикинул сейчас - от мизинца правой руки до оси вращения РППУ примерно 50-55см, не больше (но это "прикинул") Edited November 30, 2016 by PilotMi8
vvm13 Posted November 30, 2016 Posted November 30, 2016 Спасибо. Уже интересно. Для 330 миллиметров туда-сюда более 1024 отсчётов (нынешний стандарт), как мне кажется, не должно быть нужно.
Renat Posted November 30, 2016 Posted November 30, 2016 РППУ 64 см от пола до кончика ручки,мерил лично для своего кокпита. Rena
ED Team PilotMi8 Posted November 30, 2016 ED Team Posted November 30, 2016 И остался РОШ... полный ход около полуметра (линейный)
Wadim Posted November 30, 2016 Posted November 30, 2016 Спасибо. Уже интересно. Для 330 миллиметров туда-сюда более 1024 отсчётов (нынешний стандарт), как мне кажется, не должно быть нужно. Нет. Для короткой палки - джойстика, такого отсчёта хватает. Но для длинной, реальной - маловато. У меня на тренажере с реальной ручкой на каждую ось стоит линейный емкостной датчик с ходом около 40 см и 16 000 отсчётов. Необходим хотя бы контроллер на основе PIC18F4550 с 4096-тью отсчётами на ось. Иначе будет не кошерно. sigpic =BB=967, aka Pilotwad, aka Pilotwad967 (youtube) Сон и питание - основы летания Spoiler: Скрытый текст data:image/gif;base64,R0lGODlhAQABAPABAP///wAAACH5BAEKAAAALAAAAAABAAEAAAICRAEAOw== data:image/gif;base64,R0lGODlhAQABAPABAP///wAAACH5BAEKAAAALAAAAAABAAEAAAICRAEAOw== Мой канал Youtub
vvm13 Posted November 30, 2016 Posted November 30, 2016 Но 1024 отсчёта - это же будет 1/3 миллиметра, и это слишком грубо???
Wadim Posted November 30, 2016 Posted November 30, 2016 Но 1024 отсчёта - это же будет 1/3 миллиметра, и это слишком грубо??? Это примерно то же, что и разница между 24-мя и 60-ю FPS в игре. Вроде человеческий глаз не воспринимает, а разница чувствуется. sigpic =BB=967, aka Pilotwad, aka Pilotwad967 (youtube) Сон и питание - основы летания Spoiler: Скрытый текст data:image/gif;base64,R0lGODlhAQABAPABAP///wAAACH5BAEKAAAALAAAAAABAAEAAAICRAEAOw== data:image/gif;base64,R0lGODlhAQABAPABAP///wAAACH5BAEKAAAALAAAAAABAAEAAAICRAEAOw== Мой канал Youtub
ED Team PilotMi8 Posted November 30, 2016 ED Team Posted November 30, 2016 Это примерно то же, что и разница между 24-мя и 60-ю FPS в игре. Вроде человеческий глаз не воспринимает, а разница чувствуется. думаю да, будет разница
ED Team PilotMi8 Posted November 30, 2016 ED Team Posted November 30, 2016 Как-то многовато кажется. ни чуть!))см.вложение угол полного перемещения прим..50-55гр
BlackLion161 Posted November 30, 2016 Posted November 30, 2016 Бортовых стрелков в общем не ждать в этом патче? [sIGPIC][/sIGPIC]
ED Team Laivynas Posted November 30, 2016 ED Team Posted November 30, 2016 Бортовых стрелков в общем не ждать в этом патче? Уважаемый. Не умеете себя вести, так правила соблюдайте хотя бы. Не ответили, значит не ответили. Best Regards, Dmitry. "Чтобы дойти до цели, надо прежде всего идти." © О. Бальзак
BlackLion161 Posted November 30, 2016 Posted November 30, 2016 а, это у вас теперь так принято... [sIGPIC][/sIGPIC]
ED Team PilotMi8 Posted December 1, 2016 ED Team Posted December 1, 2016 а, это у вас теперь так принято... ну что ж такой обидчивый!:) "вынь-да-полож" всё планируется. Ждите))
ED Team Laivynas Posted December 1, 2016 ED Team Posted December 1, 2016 а, это у вас теперь так принято... https://forums.eagle.ru/rules.php#ru Пункт 1.10. Да, у нас так принято. Best Regards, Dmitry. "Чтобы дойти до цели, надо прежде всего идти." © О. Бальзак
vvm13 Posted December 1, 2016 Posted December 1, 2016 Это примерно то же, что и разница между 24-мя и 60-ю FPS в игре. Вроде человеческий глаз не воспринимает, а разница чувствуется. Можно, наверное, использовать внешние АЦП: 12 бит MCP3201 / MCP3202 / MCP3204 / MCP3208 13 бит MCP3301 / MCP3302 / MCP3304. Но: Разницу в восприятии FPS увидеть можно, посмотрев две версии одного ролика с разным FPS, или же ролик 24fps через уплавнитель. А вы можете загрубить чувствительность своего тренажёра и произвести слепое тестирование?
BlackLion161 Posted December 1, 2016 Posted December 1, 2016 (edited) ну что ж такой обидчивый!:) "вынь-да-полож" всё планируется. Ждите)) Спасибо за ответ, просто я ну очень жду бортовых стрелков на Ми-8 с момента когда они еще появились на Uh-1H, по этому извиняюсь за навязщивость. Edited December 1, 2016 by BlackLion161 [sIGPIC][/sIGPIC]
Recommended Posts