xvii-Dietrich Posted November 22, 2020 Posted November 22, 2020 Since the last patch, dropping any SC or SD-type bomb from the FW 190 A-8 with the mV fuze, fails to detonate. Versions: Date of test: 22 November 2020 DCS: Open Beta v 2.5.6.57949 Module: FW 190 A-8 EA Map: Normandy Preparation: New mission, Normandy map, 1x FW 190 A8, air start Run the mission on my own server My procedure: Start the mission and stabilise the aircraft flight. Select the fuze as Wagerecht mV -- i.e the delayed fuze. The bomb will then fall to the ground. There is a slight puff as it impacts. However, no matter how long you wait, it will not detonate (INCORRECT) When repeating the test without delay (oV), the bomb explodes on impact, as expected. Notes: I note that the incorrect behaviour is independent of what attack type is used (Sturz/Wagerecht are both the same) I have attached a track file which shows the problem. server-20201121-231312.trk 1
Slegawsky Posted November 22, 2020 Posted November 22, 2020 Can confirm that. Also, had the same issues with P-47 D30 (Early), armed and saw the impact but no explosion.
ED Team NineLine Posted November 27, 2020 ED Team Posted November 27, 2020 I've been looking into fusing issues, will let you know what I find out. Forum Rules • My YouTube • My Discord - NineLine#0440• **How to Report a Bug**
Frederf Posted November 27, 2020 Posted November 27, 2020 German fuzes are slightly complicated, depending on the model they have different behavior. In general Elektrishcer Aufschlagzunder (El. A.Z.) electric impact fuzes there are three time periods after release at which impact occurs: Prior to Vz (Verzugszündung) time and the bomb will dud completely, usually around 1 second After Vz time and before arming time in which case the bomb will wait several seconds after impact to detonate After normal arming time in which case the bomb will immediately detonate according to m.V. (milliseconds delay) or o.V. (instant) process. German electric bomb arming equipment operates by various voltages (150 or 240V) through one or two electrical contact plungers. The "A" plunger is connected to the instantaneous circuit and consists of a charging capacitor, firing capacitor, a resistor in between the two, a switch that detects impact, and is connected directly to the igniter. The "B" plunger delay circuit is the same as the instant except for different values of resistance and capacitance to alter the and being connected to a short (50~200ms) delay element before the igniter. Each circuit leaks the charging capacitor into the firing capacitor while the bomb is in flight which takes a certain amount of time to be sufficient for ignition. If impact happens before energy is sufficient in these firing capacitors they don't detonate by these means. Example of model 25B fuze has mV and oV arming times slightly different (mV 5.6-10.4, oV 3.0-7.0) and that's a rather large one. Another source for the same fuze is oV 3-7, mV 5.6-10.3. Model 15 fuze is 7.5~11.8 oV, 8.5~13 mV. In any case normal arming time is a bunch of seconds although it's possible for a Fw-190 to get an immediate action on impact. However there is a third pathway to detonation which is a pyrotechnic device which can be activated a short time after release (~0.8-1.7s). When the bomb impacts the electrical energy from capacitors ignites a delay element which burns for a few seconds (e.g. 14s) and then this burns through to the igniter and the bomb explodes. Level bombers like He-111 only had waágerecht (150V) equipment while other airplanes like Bf-110 had additionally sturz (240V) equipment. The 240V potential simply speeds up the arming process by approximately the ratio of the two voltages or the ratio squared (240/150=1.6~1.6^2) for example the model 38 fuze could be armed in 7-14s with 150V oV and 3.5-6s with 240V oV. I don't know exactly what fuze is appropriate to model. I don't think it's the Zt. Z. (89) as this was a timed fuze and not an impact. If I had to guess maybe model 38 or model 55 late war? If I was given a choice I would pick the model 38 with pretty short but consistent arming times (6-7s min) and a reasonable Vz time of 5s. I think it could be configured for 50ms delay for smaller targets like ships or tanks or minor buildings but 200ms delay for bunkers. Anyway, using the fuze is pretty easy for the pilot. Pick oV or mV and release. If the bomb lands before the fuze time it waits to explode but if it has the arm time met then it does the selected delay which to the pilot is going to be hard to tell. I certainly have a hard time seeing 50ms vs 0ms. Maybe the dirt spray is more vertical with delay as the bomb has had time to bury itself and the earth reduces the visible blast more like a V of dirt than a circle of fire.
ED Team NineLine Posted November 28, 2020 ED Team Posted November 28, 2020 What we have currently is correct, for example, the SD 500 as a 0.08-second fuse mV or Instant oV. What I think we need to add is a second option, the SD 500 with a 14-second fuse, it would only have this one setting, so mV and oV wouldn't change fuse delay, this is how I understand it right now but still batting it around. I am not seeing an issue with the bombs not detonating though. Forum Rules • My YouTube • My Discord - NineLine#0440• **How to Report a Bug**
LeCuvier Posted November 28, 2020 Posted November 28, 2020 I haven't used the bombing functions for a while, so when I read this post I immediately ran some tests. And, surprise! 1. In the latest OB version which is 2.5.6.58125 I find a very different problem: With "MV" selected the bombs explose immediately on impact, both in "Waagerecht" (horizontal) and "Sturz" (Dive). From the very beginning, with "MV" selected in the German fighters, the bombs exploded a few seconds after impact which enabled fairly precise low-altitude bombing. In the current state, low-altitude bombing is close to suicide. 2. Not surprisingly, the Dora has the same problem. 3. Surprisingly, the Bf-109 also has the same problem. 4. The stable version still works correctly. Both in the Anton and in the Dora, as well as in the Bf-109, MV gives you a delay that feels like 3 seconds after impact and allows safe escape after a precision strike. I would therefore state that we have a bug in all three German fighters in that the "MV" setting no longer provides any delay. LeCuvier Windows 10 Pro 64Bit | i7-4790 CPU |16 GB RAM|SSD System Disk|SSD Gaming Disk| MSI GTX-1080 Gaming 8 GB| Acer XB270HU | TM Warthog HOTAS | VKB Gladiator Pro | MongoosT-50 | MFG Crosswind Pedals | TrackIR 5
Frederf Posted November 28, 2020 Posted November 28, 2020 What we have currently is correct, for example, the SD 500 as a 0.08-second fuse mV or Instant oV. What I think we need to add is a second option, the SD 500 with a 14-second fuse, it would only have this one setting, so mV and oV wouldn't change fuse delay, this is how I understand it right now but still batting it around. I am not seeing an issue with the bombs not detonating though. SD 500 would certainly be a nice addition to the SC 500. Ideally one would have all combinations of bomb and fuze as used. I think you might be considering the Vz function to be a setting or configuration of the fuze like an option. In general this is not the case. Vz is a feature which is always present. With the switch in o.V. the bomb may detonate by the o.V. , m.v., or Vz devices. With the switch in m.V. the bomb may detonate by the m.V. or Vz devices. The devices detonate after activation at 0ms, 80ms, or 14s assuming the model 25. Obviously the first device which detonates the bomb renders the others irrelevant. Anyway the normal o.V./m.V. circuits have a substantial arming time, 10-15s. The Vz device's arming time is much less 0.4-0.8s. This means that if the bomb falls for 8 seconds and hits the ground it essentially duds with respect to the normal detonation devices. However the Vz device which can be thought of as a backup will burn for 14s seconds (after being triggered by impact) and then explode. In this way the fuze function is somewhat automatic based on bomb TOF either exploding immediately (instant and 80ms being both considered effectively immediate) according to the m.V./o.V. setting or later after impact. Now it is possible to mess with the fuze out of the box such that only the Vz device works (other circuits disabled) which means it will always detonate X seconds after impact regardless of bomb TOF. This was done and enforces the delay after impact even if the bomb TOF was quite long. I suggest that this only be given as an additional option instead of replacing the normal tri-mode behavior of the default fuze as it is normally used. Anyway, if the AI release is to be examined the bomb explodes immediately after ~8 TOF which is not realistic behavior for this fuze in any configuration.
ED Team NineLine Posted November 28, 2020 ED Team Posted November 28, 2020 I haven't used the bombing functions for a while, so when I read this post I immediately ran some tests. And, surprise! 1. In the latest OB version which is 2.5.6.58125 I find a very different problem: With "MV" selected the bombs explose immediately on impact, both in "Waagerecht" (horizontal) and "Sturz" (Dive). From the very beginning, with "MV" selected in the German fighters, the bombs exploded a few seconds after impact which enabled fairly precise low-altitude bombing. In the current state, low-altitude bombing is close to suicide. 2. Not surprisingly, the Dora has the same problem. 3. Surprisingly, the Bf-109 also has the same problem. 4. The stable version still works correctly. Both in the Anton and in the Dora, as well as in the Bf-109, MV gives you a delay that feels like 3 seconds after impact and allows safe escape after a precision strike. I would therefore state that we have a bug in all three German fighters in that the "MV" setting no longer provides any delay. The issue is that the fuze has been changed to the much shorter 0.08 fuze setting, this is why it seems like there is no fuze. But it's also accurate. We do need the longer delay fuzes, they are more like 14 seconds, and from what I hear done allow changing the setting to instant in flight. But we are looking into it, we have a fellow that knows his stuff on Luftwaffe and has a lot of the docs. Forum Rules • My YouTube • My Discord - NineLine#0440• **How to Report a Bug**
LeCuvier Posted November 29, 2020 Posted November 29, 2020 The issue is that the fuze has been changed to the much shorter 0.08 fuze setting, this is why it seems like there is no fuze. But it's also accurate. We do need the longer delay fuzes, they are more like 14 seconds, and from what I hear done allow changing the setting to instant in flight. But we are looking into it, we have a fellow that knows his stuff on Luftwaffe and has a lot of the docs. Not to bitch, but why make a change that makes the "MV" setting on all three German fighters meaningless? No reply required, just had to vent... LeCuvier Windows 10 Pro 64Bit | i7-4790 CPU |16 GB RAM|SSD System Disk|SSD Gaming Disk| MSI GTX-1080 Gaming 8 GB| Acer XB270HU | TM Warthog HOTAS | VKB Gladiator Pro | MongoosT-50 | MFG Crosswind Pedals | TrackIR 5
ED Team NineLine Posted November 29, 2020 ED Team Posted November 29, 2020 Not to bitch, but why make a change that makes the "MV" setting on all three German fighters meaningless? No reply required, just had to vent... Well good question, and why I reported it as a bug. Forum Rules • My YouTube • My Discord - NineLine#0440• **How to Report a Bug**
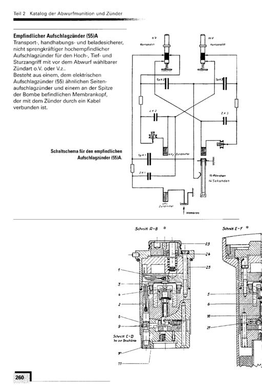
Retnek Posted December 2, 2020 Posted December 2, 2020 I offer some documents on this topic, about the Luftwaffe use of bomb fuses against different targets. Sorry, scans are in German, I'll try to conclude below. Here is Luftwaffe 1940 table what bomb and fuses were to use against several kinds of target Most prominent is the fuse 55, together with fuses 15 and 25. On the development of that fuses Fuse-55 was a simplified model of the fuse-family-25 originating from fuse 15. German fuses were electric fuses, the values were set by that switch-board low behind the stick. I'm not that deep into this topic, but one can sum up some characteristics from that documents: Fuse 15 - three ways to detonate: contact (no delay = o.V. ohne Verzögerung), with short delay (0.05 sec after impact = m.V. mit Verzögerung) and long delay (8 sec after impact = Vz. Verzögerung) Short delay of 0.05 sec gave not enough time for the bomb to go deep into the target, the short delay had to be 0.08 sec. And long delay of 8 sec was not long enough for a whole squadron passing the target during a low level raid, it went up 14 sec. Resulting in fuse of type 25. Fuse 25 - three ways to detonate: contact (no delay = o.V. ohne Verzögerung), with short delay (0.08 sec after impact = m.V. mit Verzögerung) and long delay (14 sec after impact = Vz. Verzögerung) According to the German tendency of over-perfecting technical stuff it soon was obvious the fuse 25 needed much too much time and resources, even for the still high German standards in 1939. Resulting in fuse 55, afaik the most often used fuse. This should be relevant for the late war scenarios of DCS-WW2, too. But I don't know what type of fuse they are simulating. According to the fuse-delays mentioned it should be fuses of type 25 or 55. Fuse 55 - two ways to detonate: contact (no delay = o.V. ohne Verzögerung) and long delay (14 sec after impact = Vz. Verzögerung). There was no short delay, choosing that value on the switch-board resulted in a long delay of 14 sec, too. (m.V. mit Verzögerung = 14 sec delay) Next to the fuses delay after impact there's another important detail: electric fuses went live directly due to the process of bomb release, not before by choosing the values in the cockpit f.e. . Fuse 15 and early 25-types needed quite a long time to become live. So there was a minimum drop height of 50 m just to give them a sufficient time. Starting with fuse 25 subtype B and for all fuses of type 55 that time was reduced very much. Resulting in minimum drop heights of 12 - 14 m. So what's to expect switching the Luftwaffes fighter bomb-switch-board in 1944: "Aus" - Off - bomb unarmed, fuse inactive - dropping it that way results in a (relatively harmless) dumb bomb "Sturz mv" (one klick to the left) - bomb fuse of type 25 results in a short delay of 0.08 sec, but type 55 has a long delay of 14 sec "Sturz ov" (two klicks to the left) - bomb fuse of type 25 and type 55 explodes immediately on impact "Waagerecht mv" (one klick to the right) - both bomb fuses of type 25 and type 55 use a long delay of 14 sec "Waagerecht ov" (two klicks to the right) - bomb fuse of type 25 and type 55 explodes immediately on impact Using fuse 55 reduced the tactical options, because bombs with 14 sec delay go deep into soft ground and water, exploding possibly without much effect down there. The short delay of 0.08 sec damaged buildings, railroad-tracks or fortifications by detonating within the relevant structures. Sources: Fleischer, Wolfgang (2003): Deutsche Abwurfmunition bis 1945. Sprengbomben, Brandbomben, Sonderabwurfmunition, Abwurfbehälter, Zünder. 1. Aufl. Stuttgart: Motorbuch. For that scan "Zünderübersicht" I can't offer a valid source. I stumbled over it in WWW and copied a few years ago. Because it's uniquely useful and very much looks like scan from a German source. If some-one kindly is able to point on that publication? Finally, to offer an impression on the complex nature of those fuses, fuse 15: Fuse 25 Fuse 55 "Those who admire me for my 275 kills know nothing about war" Günther Rall
Veteran66 Posted December 2, 2020 Posted December 2, 2020 1 German WW2 Radio calls Mod: https://www.digitalcombatsimulator.com/en/files/2161798/
LeCuvier Posted December 2, 2020 Posted December 2, 2020 Interesting stuff, not sure what the right solution is. I guess the effective delay depends on a combination of what type of bomb/fuse and switch position. An m.V. delay of 50 or 80 ms make little sense in the sim in my opinion as we usually don't strike buildings. 18 s feels awfully long. LeCuvier Windows 10 Pro 64Bit | i7-4790 CPU |16 GB RAM|SSD System Disk|SSD Gaming Disk| MSI GTX-1080 Gaming 8 GB| Acer XB270HU | TM Warthog HOTAS | VKB Gladiator Pro | MongoosT-50 | MFG Crosswind Pedals | TrackIR 5
Retnek Posted December 3, 2020 Posted December 3, 2020 Most interesting and still historically correct would be to simulate the use of fuse 25. 80 ms delay are useful against ships f.e. Don't know if DCS takes into account the much enhanced effect of a bomb exploding near the ship not at the surface but a few meters below. Here the 80 ms will make all there difference to contact-fusing or a 14 s delay. Same for damage against some types of (semi-) hardened targets. "Those who admire me for my 275 kills know nothing about war" Günther Rall
xvii-Dietrich Posted December 14, 2020 Author Posted December 14, 2020 Reading the table provided by @Veteran66, there are a variety of different possible minimum-release heights (Mindestabwurfhöhen). The documentation that comes with the DCS FW 190 A8 gives no indication of the fuse-types being used. However, regardless of which type is being used, the longest fuse arm time is 14s (EAIZ 38) which equates to approximately 800-900 metres above ground. Additionally, the fuse delay information in that table, combined with the detailed documentation on fuse types provided by @Retnek, indicates that the maximum delay for a standard bomb fuse is (coincidentally) 14 seconds. I note from the post by @NineLine who wrote: On 11/28/2020 at 9:39 AM, NineLine said: What we have currently is correct, for example, the SD 500 as a 0.08-second fuse mV or Instant oV. So, regardless if it is 0,08 or 14 seconds, the bomb should still explode. I have repeated the test that I did in the original post in this thread, however, this time I have used a drop altitude of 2000m (which is well above the worst-case for minimum-release height). Additionally, I have placed a vehicle near the impact point for observing the bomb hitting the ground and then waiting for any explosion. I waited for 1 minute, which is well in excess of the longest delay from this reference sources. The bomb still fails to explode. Please find attached the .trk file and an image showing where the bomb will land (if you use F7 to get vehicle view you can look at the impact point (approximately at the crossing point of the two runways). I have repeated this particular test 3 times to check that it was not a one-off mishap (although I've done the test many other times at different altitudes since the bug first appeared). I have also checked with dropping ordnance using oV setting and that works. Please see the original post in this thread for more details on the nature of the bug. server-20201212-204308.trk
Frederf Posted December 15, 2020 Posted December 15, 2020 German bomb fuzes, almost all of them, arm to some degree in about 1 second. Whether they explode immediately (instantly or within a fraction of a second) or after several seconds delay sitting on the ground varies depending on the voltage, model, and TOF.
xvii-Dietrich Posted December 15, 2020 Author Posted December 15, 2020 5 hours ago, Frederf said: German bomb fuzes, almost all of them, arm to some degree in about 1 second. Whether they explode immediately (instantly or within a fraction of a second) or after several seconds delay sitting on the ground varies depending on the voltage, model, and TOF. Indeed. There are some very detailed posts about it (with references) by @Retnek and @Veteran66 earlier in this thread. But the point is that the bombs do arm (and thus, at some point, explode). The FW190A8 manual (the DCS one, provided with the module) is very vague on this, and so we cannot be sure which fuse-model has been implemented. My second .trk test was a "worst-case-scenario", to try to demonstrate that presently in the DCS Open Beta the bombs do not arm. At all.
xvii-Dietrich Posted February 3, 2021 Author Posted February 3, 2021 Last night I asked again on the DCS WW2 discord channel about the mV fuses not working on German aircraft. @NineLineresponded that the fuses are correct as is (namely mV = 0.08s). Whether the mV fuse is 0.08s or 14s is an important issue. However, it was not actually the point of this post. The point is that bombs do not explode whatsoever with the mV fuse which is incorrect. It is not whether they have the correct fuse delay, but that they work at all. For such a simple, easy-to-replicate issue, that we have carefully written-up and presented (with screenshots and .trk files as requested), it is frustrating that the issue has languished as "[INVESTIGATING]" for 2+ months and has not progressed to at least "[REPORTED]" status. It is also frustrating that the only way to get some feedback on the issue is by nagging about it on discord... what is the point of us writing careful reports? I understand that WW2 is not an ED priority, let alone Axis aircraft, yet still ground-ordnance therein. Nevertheless, the DCS FW 190 A-8's "key features" are advertised as "Accurate Fw 190 A-8 model, squadron markings, and weapons" (REF), and yet bugs like this exist (let alone modelling of bomb damage, or the woeful cluster munition situation). Given that dropped ordnance will be a key part of the upcoming DH98 Mosquito, I have grave reservations that it will get the attention needed to make it a WW2 module, and not just an airshow piece. 3
ED Team NineLine Posted February 3, 2021 ED Team Posted February 3, 2021 Not exploding I must have missed in the discussion, I will for sure check that out ASAP. Thanks! And we have a WWII team, it is absolutely a priority, but we are small, and not as fast as anyone, even we would like. Forum Rules • My YouTube • My Discord - NineLine#0440• **How to Report a Bug**
ED Team NineLine Posted February 3, 2021 ED Team Posted February 3, 2021 @xvii-DietrichI just tried in OB, dropping an SC 500 on MV and had no issue. Was it a specific bomb? Forum Rules • My YouTube • My Discord - NineLine#0440• **How to Report a Bug**
Frederf Posted February 3, 2021 Posted February 3, 2021 What was the time of flight of the bomb? For short time of flight (maybe 2 seconds) the bomb impacts the ground and should wait some second before exploding. There should be three bomb behaviors based on time of flight: < about one second = dud between about one second and several seconds = wait on ground then explode > arming time = instant or semi-instant detonation according to mV/oV switch
Cunctator Posted February 3, 2021 Posted February 3, 2021 (edited) 4 hours ago, xvii-Dietrich said: The point is that bombs do not explode whatsoever with the mV fuse which is incorrect. It is not whether they have the correct fuse delay, but that they work at all. For such a simple, easy-to-replicate issue, that we have carefully written-up and presented (with screenshots and .trk files as requested), it is frustrating that the issue has languished as "[INVESTIGATING]" for 2+ months and has not progressed to at least "[REPORTED]" status. It is also frustrating that the only way to get some feedback on the issue is by nagging about it on discord... what is the point of us writing careful reports? Have you tested this only on your server? In singleplayer (current OB) all bombs I've dropped with the MV setting explode fine. Edited February 3, 2021 by Cunctator
xvii-Dietrich Posted February 3, 2021 Author Posted February 3, 2021 59 minutes ago, NineLine said: @xvii-DietrichI just tried in OB, dropping an SC 500 on MV and had no issue. Was it a specific bomb? I cannot remember exactly, and I cannot check it again until I get home from work. I think the first report (original post; 22-Nov-2020) was an SD 500 A. After the drop altitude was questioned, I did a second controlled test (follow-up post; 14-Dec-2020) and I think that was an SC 500 (not sure what casing type it was though). However, .trk files were included in both posts, so someone can re-create the exact circumstances of the test and see what I did (that's why we include tracks, right)? Just now, Cunctator said: Have you tested this only on your server? In singleplayer all bombs I've dropped with the MV setting explode fine. Hmmm.... interesting point. The tests I did were on a multiplayer server, with the aircraft control set to Client. I've not tried single-player, but will take a look when I next get a chance.
xvii-Dietrich Posted February 6, 2021 Author Posted February 6, 2021 Ran some tests last night and today. Can confirm the issue reported in the OP is now fixed as of DCS OB<2.5.6.60966. Thanks. The mV fuses (both Wagerecht and Sturz) are 0.08s. Also, bombs set with the mV fuse setting fails to leave any crater (although oV does). However, these are both separate issues.
Recommended Posts