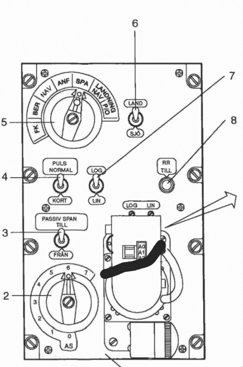
Spirale Posted December 28, 2022 Posted December 28, 2022 Hi, There's a 7 filters knob on the left console, just below the passive radar switch. Are this filters working? Thx
Skyracer Posted December 28, 2022 Posted December 28, 2022 I doubt that the sim support it. EW in DCS is very primitive. 2 MY SYSTEM SPECS: Hardware Intel pentium 3 @ 800 MHz, 256 Mb RAM, Geforce 2 64Mb, Dell screen 1024x768 + Microsoft sidewhiner joystick + TrackIR 2 + TrackClitPro SOFTWARE: Microsoft Windows 98, Noice Attack & VIASAT PRO, SnackView
Spirale Posted December 28, 2022 Author Posted December 28, 2022 But the knob can be rotated...I hope this will work and planned to work in the future
Machalot Posted December 28, 2022 Posted December 28, 2022 The manual says it's not functional. This is part of Figure 87. "Subsonic is below Mach 1, supersonic is up to Mach 5. Above Mach 5 is hypersonic. And reentry from space, well, that's like Mach a lot."
Spirale Posted December 28, 2022 Author Posted December 28, 2022 (edited) Thx Machal:ot, do you know if one day it will be fonctionnal? This knob can be rotated so i can expect a fonctionality ( i hope so). If not why make such an actionnable knob? Edited December 28, 2022 by Spirale
MYSE1234 Posted December 28, 2022 Posted December 28, 2022 It does function. Only "problem" is that it doesn't really help in removing the jamming effect, but it does function as you can see the radar image change depending on the position of the knob. Viggen is love. Viggen is life. 7800X3D | RTX 4070 Ti S | 64GB 6000MHz RAM |
Spirale Posted December 28, 2022 Author Posted December 28, 2022 Thx Myse, i'd like to know what effects are on each number
MYSE1234 Posted December 28, 2022 Posted December 28, 2022 22 minutes ago, Spirale said: Thx Myse, i'd like to know what effects are on each number Easy to check with a basic mission made in the mission editor. Viggen is love. Viggen is life. 7800X3D | RTX 4070 Ti S | 64GB 6000MHz RAM |
TOViper Posted December 29, 2022 Posted December 29, 2022 (edited) 14 hours ago, MYSE1234 said: It does function. Only "problem" is that it doesn't really help in removing the jamming effect, but it does function as you can see the radar image change depending on the position of the knob. Would it be worth to be included in the RC2.1 manual? Two days are still left ... Edited December 29, 2022 by TOViper 1 Visit https://www.viggen.training ...Viggen... what more can you ask for? my computer: AMD Ryzen 5600G 4.4 GHz | NVIDIA RTX 3080 10GB | 40 GB 3000 MHz DDR4 DUAL | SSD 980 256 GB SYS + SSD 2TB DCS | TM Warthog Stick + Throttle + TRP | Rift CV1
MYSE1234 Posted December 29, 2022 Posted December 29, 2022 2 hours ago, TOViper said: Would it be worth to be included in the RC2.1 manual? Two days are still left ... Probably worth it to change it from "non functional" to something else as it does in fact do something, but probably not worth going in-depth on it. Viggen is love. Viggen is life. 7800X3D | RTX 4070 Ti S | 64GB 6000MHz RAM |
TOViper Posted December 29, 2022 Posted December 29, 2022 (edited) I tested this with the Moskva ship, and put my radar against it. The ship starts to jam, but with the filter I was able to get the strongest radar returns at the location (bearing AND distance) I placed the ship on the map, ... so: AS JAMMING WORKS! To give this section just a little text, I would add something like this (basically). Radar controls AS-mode selector: Toggles anti-jamming filters. With the filters, it might be possible to determine the distance to a jamming target, and then e.g. perform a successful target fix. Edited December 29, 2022 by TOViper 1 1 Visit https://www.viggen.training ...Viggen... what more can you ask for? my computer: AMD Ryzen 5600G 4.4 GHz | NVIDIA RTX 3080 10GB | 40 GB 3000 MHz DDR4 DUAL | SSD 980 256 GB SYS + SSD 2TB DCS | TM Warthog Stick + Throttle + TRP | Rift CV1
QuiGon Posted December 30, 2022 Posted December 30, 2022 19 hours ago, TOViper said: I tested this with the Moskva ship, and put my radar against it. The ship starts to jam, but with the filter I was able to get the strongest radar returns at the location (bearing AND distance) I placed the ship on the map, ... so: AS JAMMING WORKS! To give this section just a little text, I would add something like this (basically). Radar controls AS-mode selector: Toggles anti-jamming filters. With the filters, it might be possible to determine the distance to a jamming target, and then e.g. perform a successful target fix. Did you check if the different anti jamming modes make any difference or do they all have the same effect against jamming? I'm curious, because I don't think there is a difference between the different modes, just on/off. Intel i7-12700K @ 8x5GHz+4x3.8GHz + 32 GB DDR5 RAM + Nvidia Geforce RTX 2080 (8 GB VRAM) + M.2 SSD + Windows 10 64Bit DCS Panavia Tornado (IDS) really needs to be a thing!
TOViper Posted December 30, 2022 Posted December 30, 2022 No, they are obviously not doing the same, since the picture changes when going through the different stages. But it is hard to describe what they really do in the background by just looking at the radar image only. I guess the coder of this certain function should know what the different stages do ... Visit https://www.viggen.training ...Viggen... what more can you ask for? my computer: AMD Ryzen 5600G 4.4 GHz | NVIDIA RTX 3080 10GB | 40 GB 3000 MHz DDR4 DUAL | SSD 980 256 GB SYS + SSD 2TB DCS | TM Warthog Stick + Throttle + TRP | Rift CV1
QuiGon Posted December 30, 2022 Posted December 30, 2022 (edited) 5 hours ago, TOViper said: No, they are obviously not doing the same, since the picture changes when going through the different stages. But it is hard to describe what they really do in the background by just looking at the radar image only. I guess the coder of this certain function should know what the different stages do ... Huh, interesting. I'll have to take a look at that myself, as I'm curious now. Edited December 30, 2022 by QuiGon Intel i7-12700K @ 8x5GHz+4x3.8GHz + 32 GB DDR5 RAM + Nvidia Geforce RTX 2080 (8 GB VRAM) + M.2 SSD + Windows 10 64Bit DCS Panavia Tornado (IDS) really needs to be a thing!
TOViper Posted December 30, 2022 Posted December 30, 2022 Curious as I was after reading Myse1234's post ... Never used this knob because it was listed in the manual but with [no function]. Funny story this is LOL Visit https://www.viggen.training ...Viggen... what more can you ask for? my computer: AMD Ryzen 5600G 4.4 GHz | NVIDIA RTX 3080 10GB | 40 GB 3000 MHz DDR4 DUAL | SSD 980 256 GB SYS + SSD 2TB DCS | TM Warthog Stick + Throttle + TRP | Rift CV1
TOViper Posted January 1, 2023 Posted January 1, 2023 Yeah, absolutely! I followed the old rule: Don't touch a control unless you really know what it is doing with your aircraft ... so: I KEPT MY DIRTY FINGERS OFF Visit https://www.viggen.training ...Viggen... what more can you ask for? my computer: AMD Ryzen 5600G 4.4 GHz | NVIDIA RTX 3080 10GB | 40 GB 3000 MHz DDR4 DUAL | SSD 980 256 GB SYS + SSD 2TB DCS | TM Warthog Stick + Throttle + TRP | Rift CV1
QuiGon Posted January 1, 2023 Posted January 1, 2023 14 hours ago, TOViper said: so: I KEPT MY DIRTY FINGERS OFF Quite the oppsite for me in this case: I've never NOT flown with the anti jamming system active (set to mode 1), as the startup checklist tells you to set it to mode 1 (RC2 manual page 239)! 1 Intel i7-12700K @ 8x5GHz+4x3.8GHz + 32 GB DDR5 RAM + Nvidia Geforce RTX 2080 (8 GB VRAM) + M.2 SSD + Windows 10 64Bit DCS Panavia Tornado (IDS) really needs to be a thing!
Zabuzard Posted May 5, 2023 Posted May 5, 2023 (edited) The AS modes are not really implemented as of now, hence the manual says no-function. That said, there is actually some sort of function tied to them, which is the controlled-dampening effect, which affects the radar return strength at various distances, giving you a slightly different picture on the screen. Hence people in this thread see some effect when turning around the knob in certain situations. However, this mode is activated by default, as compromise since the mode selector is not really implemented proper anyways. So by playing around with the mode selector, it can happen that you deactivate this mode, but thats about it. Until this system is implemented proper (not planned right now), just leave the mode in AS-0 or AS-1. Edited May 5, 2023 by Zabuzard
Spirale Posted May 6, 2023 Author Posted May 6, 2023 Thx Zabuzard, i hope this fonction wil be implemented one day. The knob is directly placed next to the radar stick so i think this knob must be important in a combat environment
Zabuzard Posted May 6, 2023 Posted May 6, 2023 Well, its purpose is to find jamming ground targts on your radar screen - i.e. ships. Like, when you have all the jitter on the screen and it's hard to spot the real target return under it.It has modes that will make it easier to see the actual target and less of the jitter, in various situations. They also affect some of the weapons in a similiar way.However, actual precise information on them is quite sparse, which makes it hard to implement it in a proper and realistic way, other than just guessing around.That, plus the limitations of DCSs jamming system in general, makes it a rather tricky feature to implement.Fortunately, spotting jamming targets on your radar screen isn't too hard right now anyways, so it's relevance isn't very critical. 2
Spirale Posted May 7, 2023 Author Posted May 7, 2023 I hope one day enought informations will be available: thx Zabuzard for your clarifications
Schmidtfire Posted May 8, 2023 Posted May 8, 2023 Just to add to this discussion. MiG-21bis module has anti-jamming/interference filters that will filter out the jamming signals when activated. When used, it’s impossible to move the TDC (for some reason). Just find it a bit interesting since parts of Heatblur team worked on the 21 module and might know how to implement a similar filter on the Viggen. But obviously very different radars and complexity.
TOViper Posted May 8, 2023 Posted May 8, 2023 Or just lack of reliable material...? Visit https://www.viggen.training ...Viggen... what more can you ask for? my computer: AMD Ryzen 5600G 4.4 GHz | NVIDIA RTX 3080 10GB | 40 GB 3000 MHz DDR4 DUAL | SSD 980 256 GB SYS + SSD 2TB DCS | TM Warthog Stick + Throttle + TRP | Rift CV1
Recommended Posts