TigersharkBAS Posted February 2, 2011 Posted February 2, 2011 Hey pit...any chance you can post the exact dimensions of the toggle switch holes you made? Could also explain to us how thick the plate is? Tigershark [sIGPIC][/sIGPIC] Creator of: F-18C VFA-195 "Dambusters" 1998 CAG Livery https://forums.eagle.ru/showthread.php?t=213788 F-18C VFA-195 "Dambusters" July 2001 CAG Livery https://forums.eagle.ru/showthread.php?t=215950 Pilot avatars for DCS Logbook https://forums.eagle.ru/showthread.php?t=221160 How to make a DCS A-10C Panel http://forums.eagle.ru/showthread.php?t=65998
pitbldr Posted February 2, 2011 Author Posted February 2, 2011 Sure. See the attached image. The real panels are about .23" thick. My replicas should be very close that. However, I am thinking I will also offer a thinner panel that will only be about 1/8" and will have the holes for the switches large enough to fit around the switch locking nuts. These would be cheaper and could be used by anyone that is just looking for a panel to drop over a switch panel they've made (similar to what you're doing in your flight controller build thread). That make sense? The switches and rotaries I have fit these dimensions and I think that's pretty standard, but it's possible some may need larger or smaller dimensions. I hope this helps!
pitbldr Posted February 2, 2011 Author Posted February 2, 2011 And just to be clear, these are the dimensions on the panels, not what would be on the back plate. Those dimensions could vary a little in size.
Feed Posted February 2, 2011 Posted February 2, 2011 On LED panel backlights - I've got some flat-top LEDs on the way that I'm eager to try out. Based on some initial testing with standard ultra-bright, diffused green LEDs, I wasn't happy enough, but the flat-top appears to have a much wider viewing angle that I hope will increase dispersion. My material of choice is 3/16" 2447 white acrylic for the panel faces. I'll post my results as soon as I can (after receiving the shipment from HK, which could take a month or more). Either way, it's probably going to take several LEDs to light an entire panel, but I don't think it'll take a huge amount of power (I could be wrong). I just had a thought - maybe incorporate a multiplexing circuit so they're actually flickering instead of constant-on, like a digital clock? I think EL wire is another good idea that deserves a try, but you'd have to plan well (the required power supply is directly related to the length of EL to be lit).
y2kiah Posted February 2, 2011 Posted February 2, 2011 On LED panel backlights - I've got some flat-top LEDs on the way that I'm eager to try out. Based on some initial testing with standard ultra-bright, diffused green LEDs, I wasn't happy enough, but the flat-top appears to have a much wider viewing angle that I hope will increase dispersion. My material of choice is 3/16" 2447 white acrylic for the panel faces. I'll post my results as soon as I can (after receiving the shipment from HK, which could take a month or more). Either way, it's probably going to take several LEDs to light an entire panel, but I don't think it'll take a huge amount of power (I could be wrong). I just had a thought - maybe incorporate a multiplexing circuit so they're actually flickering instead of constant-on, like a digital clock? I think EL wire is another good idea that deserves a try, but you'd have to plan well (the required power supply is directly related to the length of EL to be lit). Green LEDs are typically 2.5V drop, 10mA, so you can run 20 of them on only .5 Watts, so yes power requirements are quite low. Multiplexing is also something I've considered, although it will cost you more for the ICs, you can run 64 LEDs on a MAX7219 at 5V 15mA. It basically has the same power cost as running 8 LEDs without multiplexing. I'm not so much concerned about the power, it's more because I'd rather not have to run a 5V and 12V line to each panel when I can light it using only a 5V line with multiplexing.
Feed Posted February 2, 2011 Posted February 2, 2011 Good info! I was thinking of following the instructable for the 8x8x8 led cube, which would allow running 512 LEDs ... to say nothing of the potential for a cockpit rave!
TigersharkBAS Posted February 2, 2011 Posted February 2, 2011 Thanks a lot pit! [sIGPIC][/sIGPIC] Creator of: F-18C VFA-195 "Dambusters" 1998 CAG Livery https://forums.eagle.ru/showthread.php?t=213788 F-18C VFA-195 "Dambusters" July 2001 CAG Livery https://forums.eagle.ru/showthread.php?t=215950 Pilot avatars for DCS Logbook https://forums.eagle.ru/showthread.php?t=221160 How to make a DCS A-10C Panel http://forums.eagle.ru/showthread.php?t=65998
hassata Posted February 2, 2011 Posted February 2, 2011 If I understand what you mean by interface correctly, I think HELIOS would be ideal, especially since many 'pit-friendly' enthusiasts will already have that. [sIGPIC][/sIGPIC]
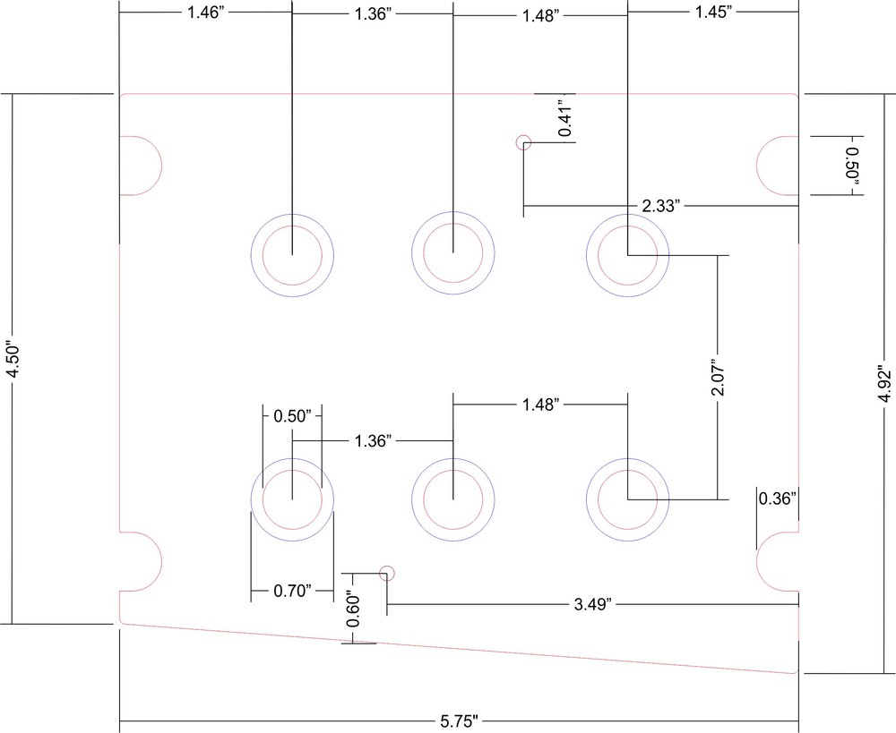
pitbldr Posted February 3, 2011 Author Posted February 3, 2011 I am closing in on my final designs. :) Here's the dims for the Aux Ltg panel. This panel is about 99% complete. It'll be 100% after I cut it, assemble it and test fit it over my switches. Note that the red lines indicate the top plate (engraved) and blue indicates the bottom plate.
Feed Posted February 3, 2011 Posted February 3, 2011 Pit, are you sure the dzus 'spaces' should be .5 x .36"?
pitbldr Posted February 4, 2011 Author Posted February 4, 2011 Well, I have several real panels and they vary. Some are only .48" and another is .53", so I averaged. I suspect is has to due with some panels being from earlier models, but don't know for sure why there's a difference. I also based it on how I'd be doing the panels for my pit. As I've mentioned before, I am not going for 100% accuracy. My goal is to develop panels that very passable copies but to keep my own costs down and reduce the time it takes me to get my pit built. I've seen people on other forums who've been building for years and trying to find all actual parts - I just don't want to wait that long to have a fully replicated pit and to be flying! Building it is part of the fun, but I do want to actually fly the sim at some point. :D
Feed Posted February 4, 2011 Posted February 4, 2011 I definitely hear that! My question wasn't so much about "accuracy" as it was looks. I was planning to go with a standard, split-the-difference as well, and want those slots to fit perfectly around whatever sort of screws I end up using. It simply seemed like the diameter was significantly larger than the 'depth'. No worries!
pitbldr Posted February 4, 2011 Author Posted February 4, 2011 Got ya. I'll take some pics soon with the screws I am *planning* on using and we'll see how they look.
pitbldr Posted February 22, 2011 Author Posted February 22, 2011 OK, I've not been idle, but I've not had as much 'pit time' as I would have liked. :( Anyway, just a quick update. Here's my prototypes for the MFCD and the CDU. Still need to perfect my painting process. The buttons on these are just there for size and color test. I have yet to cut out a full set, paint and engrave them... this kinda hinges on painting process. Also, the real MFCD has raised separations between each button. I am testing an alternative that you can see where I am just using an engraved area to represent the divisions. I would have had pics of my UFC too, but I was not paying attention to the orientation when I glued it up and did it backwards! :megalol: 2
y2kiah Posted February 22, 2011 Posted February 22, 2011 Wow great work. These are just prototypes?? Your final versions will be stunning
pitbldr Posted February 22, 2011 Author Posted February 22, 2011 Thanks!! :) I don't know if the look will change that much. What I am really prototyping is a way to implement micro switches behind each button and for those not being in the way of a monitor behind the panel. I've got some micro-push buttons on order that I'll be trying out.
Duckling Posted February 22, 2011 Posted February 22, 2011 Agree Those looks amazing !!! Congrats - - - -
pitbldr Posted February 24, 2011 Author Posted February 24, 2011 Agree Those looks amazing !!! Congrats Thanks! :) Thanks also for your site and all the information you have to share! It really helped a lot when I was first getting started on this project. :thumbup:
pitbldr Posted February 26, 2011 Author Posted February 26, 2011 Well, paying more attention this time, I glued up the parts of my UFC correctly! :lol: Here's the result along with most of the buttons for the CDU. The buttons on the CDU right now are sitting flush with the bezel. Once the electronics are in place, they'll sit about .125" proud. 1
Avilator Posted February 27, 2011 Posted February 27, 2011 Lookin' spiffy:thumbup: If I may be a stickler and point out an error/inconsistency: there is a set of plus/minus signs on the left-most rocker. I only respond to that little mechanical voice that says "Terrain! Terrain! Pull Up! Pull Up!" Who can say what is impossible, for the dream of yesterday is the hope of today and the reality of tomorrow. -Robert Goddard "A hybrid. A car for enthusiasts of armpit hair and brown rice." -Jeremy Clarkson "I swear by my pretty floral bonet, I will end you." -Mal from Firefly
pitbldr Posted February 27, 2011 Author Posted February 27, 2011 Yeah, I noticed that as the job was finishing up. They were in my graphics file, I just missed selecting them when I sent it to the laser. :doh:
Avilator Posted February 27, 2011 Posted February 27, 2011 Whoops. Speaking of lasers, how deep are the cuts for the lettering? I only respond to that little mechanical voice that says "Terrain! Terrain! Pull Up! Pull Up!" Who can say what is impossible, for the dream of yesterday is the hope of today and the reality of tomorrow. -Robert Goddard "A hybrid. A car for enthusiasts of armpit hair and brown rice." -Jeremy Clarkson "I swear by my pretty floral bonet, I will end you." -Mal from Firefly
BHawthorne Posted February 27, 2011 Posted February 27, 2011 (edited) Whoops. Speaking of lasers, how deep are the cuts for the lettering? Not sure laser works with exact Z measurements. Depending on what stock material is being cut, feed rate and wattage to the laser is dialed in. Although I have no experience with laser, I do with waterjet. It's most likely more an art to dial in than a science. Once you do it a few times you know the ballpark settings though. Most laser tables are 2.5 axis like waterjets. Edited February 27, 2011 by BHawthorne
Avilator Posted February 27, 2011 Posted February 27, 2011 Not sure laser works with exact Z measurements. Depending on what stock material is being cut, feed rate and wattage to the laser is dialed in. Although I have no experience with laser, I do with waterjet. It's most likely more an art to dial in than a science. Once you do it a few times you know the ballpark settings though. Most laser tables are 2.5 axis like waterjets. Good info, thanks. I was more after what pitbldr designed the panel to. I only respond to that little mechanical voice that says "Terrain! Terrain! Pull Up! Pull Up!" Who can say what is impossible, for the dream of yesterday is the hope of today and the reality of tomorrow. -Robert Goddard "A hybrid. A car for enthusiasts of armpit hair and brown rice." -Jeremy Clarkson "I swear by my pretty floral bonet, I will end you." -Mal from Firefly
Recommended Posts