kk0425
Members-
Posts
529 -
Joined
-
Last visited
-
Days Won
1
Content Type
Profiles
Forums
Events
Everything posted by kk0425
-
I'm not sure what the problem is. You shoot the gun you get smoke. You don't shoot it, no smoke.
-
So if you replaced I with We, then you would be making an argument? I don't see why the community has to be so negative about such a project. Let them at least try before declaring it a failure. If they don't live up to their promises then so what? You've lost nothing. It's ultimately up to ED to decide if it's a DCS quality product anyway, not the community. Or if this is just an issue with multiplayer balance then don't play on those servers or make suggestions to the server operators to improve it. Seriously, the negativity I see on these forums is astonishing sometimes and makes me wonder why some people even bother to play the game.
-
DCS 1.2.7 Open Beta - Preliminary Changelog
kk0425 replied to Mike Busutil's topic in DCS World 1.x (read only)
It doesn't really even do that right now. -
Any high resolution displays below 24"?
kk0425 replied to Bucic's topic in PC Hardware and Related Software
That's exactly why I posted that link. You HAVE to increase the resolution as the physical screen gets larger in order to keep the pixel pitch high. It wasn't OT at all. -
Any high resolution displays below 24"?
kk0425 replied to Bucic's topic in PC Hardware and Related Software
The problem with that is when the physical size of the screen increases, the pixel size also increases so you get less PPI (or pixel pitch). The only real solution is to increase the resolution if you increase the physical dimensions. Here's a chart anyway that might help. http://en.wikipedia.org/wiki/Dot_pitch#Common_dot_pitches_in_monitors -
How in the world can I get better at formation flying?
kk0425 replied to Pajeezy's topic in DCS World 1.x (read only)
Maybe try adjusting your curves and deadzone settings? But I think they big thing is practice. Try doing AAR a lot of times since it's similar to formation flying. Especially if you have the A-10C module. -
I just finished a book called "Supercarrier: An Inside Account of Life Aboard the World's Most Powerful Ship, the USS John F. Kennedy", ISBN: 978-0026301206. Towards the end the author is taken on a ride in an F-14 and describes the event pretty much uneventful. About the only thing that was noticeable is that the airplane shivered a bit while making the transition. I don't imagine the F-15 or any other airplane being all that different, but as far as handling goes, I would expect it to behave similar to what we have now. Low roll authority at supersonic and about the same pitch authority in subsonic and supersonic flight. But same as you, I'm just speculating based on what I know from reading.
-
In any case, I happened to stumble across this which cleared up some confusion for me. Hopefully it will help with others too.
-
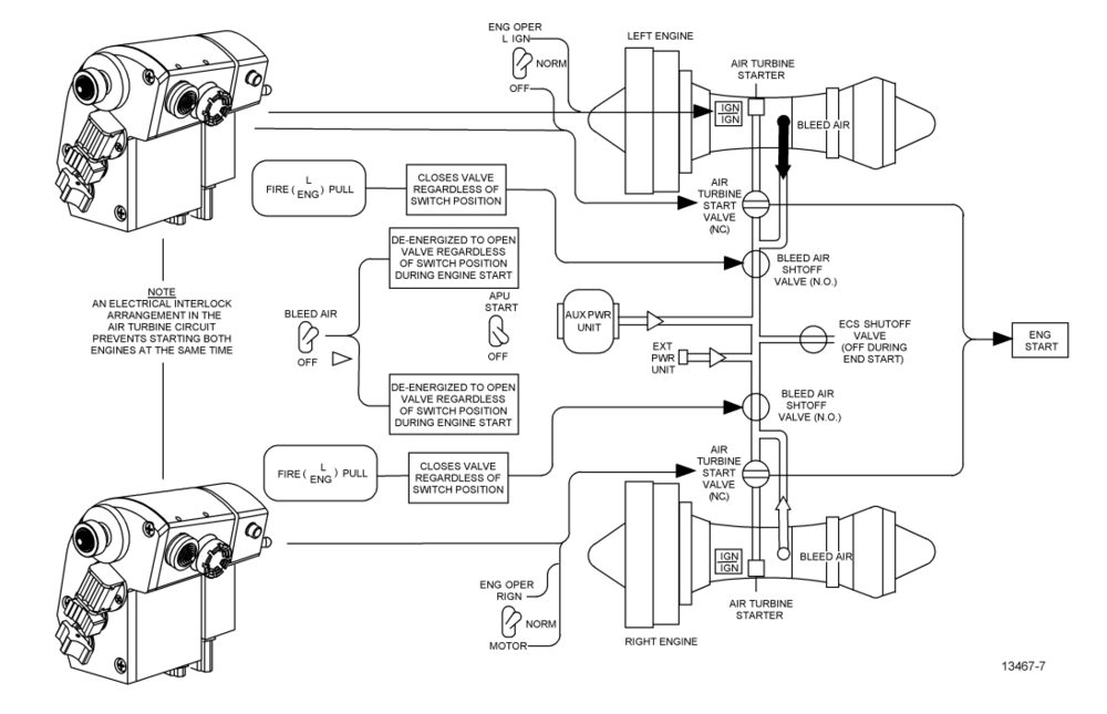
You are correct after rechecking the manual states that the crossfeed switch allows fuel pumps to feed both engine systems. But the method I posted above still works. You can verify when on the ground by starting the left engine, then when that is running, shut off the APU and then try to start the right engine. But I cannot find anything in the DCS manual about crossfeed providing bleed air as well to the non operating engine. And at the risk of getting too far off topic, it is an operating procedure to do a crossfeed start in the F/A-18 if the APU is shut down before both engines are spinning since you cannot start the APU back up within 5 (or 15?) minutes after shutting it off to avoid damaging it.
-
If I do accidentally pull the T handle in flight (only happened once or twice) I'll just ignore the APU or maybe turn it on to help with bleed air, but I'll do a cross bleed start instead most of the time. On the fuel panel there is a switch near the top marked Crossfeed. Just flip that and run your other engine at full throttle (you're supposed to turn off the bleed air on the environmental panel too but I have no idea if that affects anything), and then start your engine like you normally would on the ground. What it does if I'm not mistaken is feeds some of the bleed air from your working engine to your engine that's not operating.
-
This guy gets it. Mission designers need to prep us more on missions or else the map is pretty much required. I use the map as a kind of a simulated fold out map that the pilot would have stuffed next to their seat. Fog of War still seems a little like cheating to me yet since as I understand it, it will show all units in your range, but I do see where it is nice for us virtual pilots since we know nothing about enemy troop locations.
-
TrackIR 5 is plenty. You probably won't see any benefit with a newer version unless they add some kind of major feature since the tracking resolution is more than plenty even for TrackIR 4.
-
When Im not working on DCS Stuff or At Work I'm...
kk0425 replied to SkateZilla's topic in Chit-Chat
Suddenly your username makes sense. Congrats though, that looks pretty cool. -
"CP 9S80M1 Sborka" / Dog Ear Radar within DCS World
kk0425 replied to Rongor's topic in DCS World 1.x (read only)
I think the community is more confused on why you like to spread false information with every post then try to change the subject. GGTharos is usually correct or very close on any subject. The radar is working as intended by the devs. -
That's nice and all but he's still correct. Also, congrats on the promotion Falcon. Didn't know you became a moderator. :lol:
-
http://www.ebay.com/itm/USA-Fighter-Pilot-Helmet-Flight-Helmet-HGU-55-p-W-Oxygen-Mask-Extras-USAF-/181244082316?pt=LH_DefaultDomain_0&hash=item2a32fd388c Wish I had that kind of cash to spend.
-
A little late to the party, but happy birthday Matt!
-
They allow for smoke pods.
-
Just want to say thanks! This is perfect for those times I want to to a quick practice session instead of setting one up in the ME every time.
-
I'd say that's pretty realistic. I've heard in real life that if it lands within a 100 foot radius it's considered a "direct" hit. For CCIP it just sounds like you need a bit more practice. I've dropped mk-82s directly onto shikas from a release point of about 8'000 feet. Also no wind. For rippling them I believe it's working exactly as intended. When you ripple 2,4,6, etc they will fall so that an equal amount lands on either side of the release point but if you select and odd number I believe one should land on the release point. The trick with CCIP is to put your TVV (Total Velocity Vector, little airplane symbol on the HUD) in one spot on the ground and hold it there while you watch the CCIP piper, and as soon as it is over your target, press the pickle button. Some other tips for you is to watch your G meter in the top left of the HUD. You'll want that as close to 1 as you can. If you're less the bomb will go long, and alternatively if you're more the bomb will fall short if I remember correctly. And the steeper your dive, the more accurate your bomb will be. Also, keep your wings level when dropping and don't rush it. If you feel you can't make the drop, abort and circle back for another pass. Hope this helps.
-
ATC is something ED is planning on fixing, but they're gearing up for the release of EDGE and Nevada soon. I'd imagine it will be overhauled in the coming year as part of the plan for the Hornet since the ATC system will need to be much more sophisticated to handle carrier operations.
-
long range air to air fighters
kk0425 replied to SquadronLeader6's topic in DCS World 1.x (read only)
Really? I haven't heard anything about a release date for the F-15 standalone. -
It's not everyday you hear a pilot say they're pleased with breaking off a section of their aircraft.
-
Starting out (Joystick recommendation)
kk0425 replied to enique's topic in PC Hardware and Related Software
Force sensing is good if you want more realism for an F-16. -
After some playing around, I did see an increase in framerates, but not as much as I expected. Just need to wait on EDGE now to make use of it.
